张律渝的最新视频播放,1314韩国演艺圈33集,小陈头星选双马尾

返回

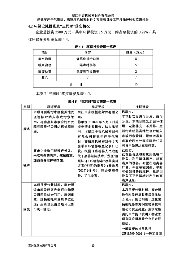
浙江中吉机械密封件有限公司 新建年产干气密封、高精度机械密封件5万套项目 竣工环境保护验收监测报告

文章来源:

发布时间:2021-04-06

阅读:20362



上一篇: 2023年3月7日 第十一届中国(上海)国际流体机械展览会在上海国家会展中心,胜利召开?。?/a>

下一篇: 无相关信息

返回
×
中吉密封
  • 客服在线,您是否愿意与在线客服进行交谈!
  • 点击这里给我发消息 点击这里给我发消息
主站蜘蛛池模板: 射洪县| 盖州市| 和平区| 霍城县| 江华| 敦化市| 古田县| 无为县| 基隆市| 海林市| 彝良县| 彰武县| 溧阳市| 北京市| 永川市| 浮梁县| 嘉鱼县| 双柏县| 饶阳县| 崇仁县| 北川| 张家川| 达孜县| 泸定县| 腾冲县| 新乡市| 甘泉县| 洪洞县| 林西县| 南雄市| 茂名市| 崇州市| 水城县| 秦皇岛市| 精河县| 察隅县| 林芝县| 崇仁县| 宜黄县| 界首市| 东方市|